switek email

sales06@switek.biz

switek whatsapp

+86 186 5927 5869

Abonnieren Sie uns

.
Introduction of Panasonic A6 Series Motor & Driver -- 2. Driver - Specifications (Multi-function type)

Panasonic A6

HIGH SPEED IML ROBOT

Keywords:Panasonic A6 Servo Motor, Panasonic A6 Servo Motor Driver, Panasonic A6 Servo Motor setting instruction

Introduction of Panasonic A6 Series Motor & Driver -- 2. Driver - Specifications (Multi-function type)

Abstract

The specifications of the motors and driver will help you to choose the right one from the list of Panasonic A6 series of AC servo motor and drivers for your robotic arm and automation system. Here in this chapter you'll get the detailed list of the specifications and wiring diagram of the Panasonic A6 Series of AC servo motor and drivers.

Basic Specifications Input Power 100V Main circuit Single phase, 100V to 120V +10%/-15% 50 Hz/60Hz
Control circuit
200V Main circuit A to D-frame Single/3-phase, 200V to 240V +10%/-15% 50Hz/60Hz
E to F-frame 3-phase, 200V to 240V +10%/-15% 50Hz/60Hz
Control circuit A to F-frame Single phase, 200V to 240V +10%/-15% 50Hz/60Hz
Withstand voltage Primary to earth: withstand 1500 VAC, 1min, (sensed current 20mA) [100V/200V]
Environment temperature Ambient temperature: 0°C to 55°C (free from freezing)
Storage temperature: -20°C to 65°C (Max. temperature guarantee: 80°C to 72 hours free from condensation*1)
humidity Both operating and storage: 20% to 85% RH or less (free from condensation*1)
Altitude Lower than 1000m
Vibration 5.88 m/s2 or less, 10Hz to 60Hz
Control method IGBT PWM Sinusoidal wave drive
Encoder feedback 23-bit (8388608 resolution) absolute encoder, 7-wire serial
Feedback scale feedback A/B phase, initialization signal defferential input.
Manufactures that support serial communication scale (*2)
Increment type
Absolute type
Parallel I/O connector Control Signal Input Genral purpose 10 inputs
The function of general-purpose input is selected by parameters.
Output General purpose 6 outputs
The function of general-purpose input is selected by parameters.
Analog signal Input 3 inputs (16-bit A/D:1 input, 12-bit A/D:2 inputs)
Output 2 outputs (Analog monitor: 2 outputs)
Output from I/F connector pin 42, pin 43.
Pulse signal Input 2 inputs (Photocoupler input, Line receiver input)
Photocoupler input is compatible with both line driver I/F and open collector I/F.
Line receiver input is compatible with line driver I/F.
Output 4 outputs (Line driver: 3 output, open collector: 1 output)
Feed out the encoder feedback pulse (A, B and Z-phase) or feedback scale pulse (EXA, EXB and EXZ-phase) in line driver. Z-phase and EXZ-phase pulse is also fed out in open collector.
*When Block motion and full-closed control is valid, pulse signal can not be output.
Communication function USB Connection with PC etc.
RS232 1:1 communication to a host.
RS485 1:n communication to a host.
Modbus-RTU 1:1 communication to a host (RS232 communication)
Safety function Used for functional safety.
Front panel (1) 5keys (2) LED (6-digit)
Regeneration A, B-frame: No built-in regenerative resistor (external resistor only)
C to F-frame: Built-in regenerative resistor (external resistor is also enabled.)
Dynamic brake A to F-frame: Built-in
Control mode Switching among the following 7 mode is enabled.
(1) Position control
(2) Velocity control
(3) Torque control
(4) Position/Velocity control
(5) Position/Torque control
(6) Velocity/Torque control
(7) Full-closed control
Function Common Auto Tuning The load inertia is identified in real time by the driving state of the motor operating according to the command given by the controlling device and set up support software "PANATERM".
The gain is set automatically in accordance with the rigidity setting.
Division of encoder feedback pulse Set up of any value is enabled (encoder feedback pulses count is the max.).
Protective function Hard error Over-voltage, under-voltage, over-speed, over-load, over-heat, over-current and encoder error etc.
Soft error Excess position deviation, command pulse division error, EEPROM error etc.
Traceability of alarm data The alarm data history can be referred to.
Infinite rotation absolute function Available
Deterioration diagnosis waring function Available
Position control Control input Deviation counter clear, command pulse input inhibition, command division/multiplication switching, vibraion suppression control switching, etc.
Control output Positioning complete, etc.
Pulse input Max. command pulse frequency Exclusive interface for Photocoupler and line driver: 500k pulse/s
Exclusive interface for line receiver: 8 M Pulse/s
Input pulse signal format Differential input. Selectable with parameter. ( (1) Positive and Negative direction, (2) A and B-phase, (3) Command and direction )
Electronic gear (Division/Multiplication of command pulse) Process command pulse frequency x electronic gear ration (1 to 230/1 to 230) as position command input. Use electronic gear ration in the range 1/1000 times to 8000 times.
Smoothing filter Primary delay filter or FIR type filter is adaptable to the command input.
Analog input Torque limit command input Individual torque limit for both positive and negative direction is enabled.
Torque feed forward input Analog voltage can be used as torque feed forward input
Vibration suppression control Maximum of 3 may be used simultaneously
Model-type damping filter Maximum of 2 many be used simultaneously
Two-degree-of-freedom control system Available
Load variation suppression function Available
Position compare output function Available [Condition] Block operation valid setting
Return to origin completed state in increment mode (when block operation origin return invalidation setting is set to invalid)
External scale position information monitor function under semi-closed control Available
Block operation Available *3
Internal Velocity control Control input Internal command velocity selection 1, Internal command velocity selection 2, Internal command velocity selection 3, speed zero clamp, etc.
Control output Speed arrival, etc.
Analog input Velocity command input Speed command input can be provided by means of analog voltage.
Parameters are used for scale setting and command polarity. (6V/Rated rotational speed Default)
Torque limit command input Torque limit can be applied to each direction respectively.
Torque feed forward input Analog voltage can be used as torque feed forward input.
Internal velocity command Switch the internal 8 speed is enabled by command input.
Soft-start/down function 0 to 10s/1000 r/min Setting is possible for acceleration and deceleration respectively.
S shaped acceleration/decelaration is possible.
Zero-speed clamp Internal velocity command can be clamped to 0 with speed zero clamp input.
Velocity command filter Available
Two-degree-of-freedom control system Available
Load variation suppression function Unavailable
External scale position information monitor function under semi-closed control Unavailable
Block operation Available *3

Caution →
*1 Air containing water vapor will become saturated with water vapor as the temperature falls, causing dew.
*2 Please refer to the latest macker in our HP.
*3 For details of block operation functions, please refer to Technical reference (Modbus communication and Block operation Specification).
Related page →
  • P. 1-20 "Installation of Driver"
  • P. 1-24 "Installation of Motor"

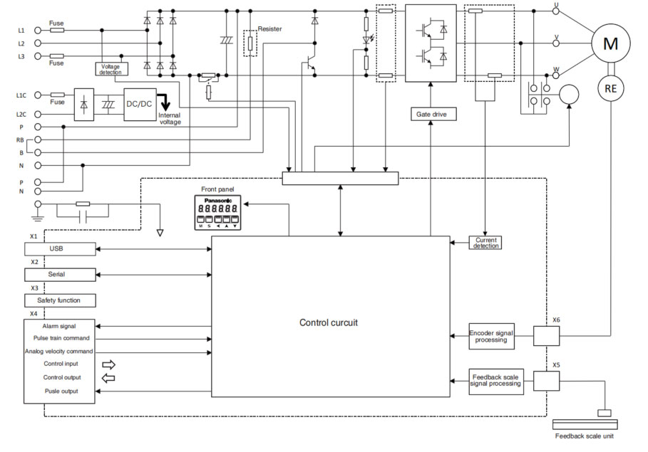
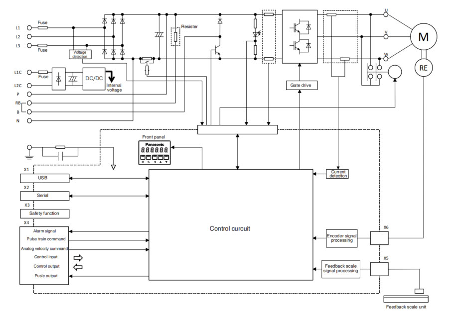
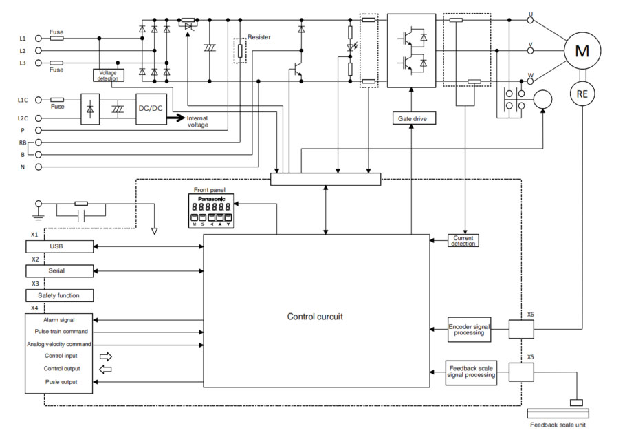
Introduction of Panasonic A6 Series Motor & Driver -- 2. Driver - Block Diagram

A, B-frame (100 V/200 V)
Panasonic A6
C, D-frame (100 V/200 V)
Panasonic A6
E-frame (200 V)
Panasonic A6
F-frame (200 V)
Panasonic A6


Best Buy Robotic Arm for Injection Molding Machine
injection robot

SW6715DS

injection robot

Unit: mm

X1 X2 X3 X4 Y YM1 YM2 Z L W H Payload
1400 1180 0 0 1500 480 1020 2500 3120 2200 2400 15kg

The Application of End of Robotic Arm Tooling

EOAT Assembly Demonstration -- One Cavity Car Bumper Picking EOAT

One Cavity Car Bumper Picking EOAT

Product Descriptions


Q & A About Robotic Arms and Injection Automation

What's a Smart Factory and How Would a Smart Factory Designed?

With the increasing labour cost globally, more and more injection molding factory owners are looking for solutions of a smart factory. But what would be a smart factory looks like and how to design a smart factory? The newly posted video of Haitian group in their Youtube account is a good reference of what would be a smeart factory.

Robot for HaiTian ZHAFIR VE4500 Injection Molding Machine

In the video above we can find something in comman of what a smart factory would be. First of all there's a centralized feeding system from which the material for all the injection molding machines are delivred; In this factory all the parts produced are collected and transported to another workshop via a conveyor. What would be in behind these injection molding machines and conveyors to support the running of the smart factory?

The MES system (Manufacturing Execution System) would be a vital part of a smart factory which will monitor the production process of the parts, just in time mangaement of the machineries, products quality control and resources following up. The samrt factory would be smart solution to help the factory owners to reduce the labour cost.

Although sounds great, but the smart factory is not as suitable for the small and medium size producers whom will change the mould frequently. As an information technology based production, the smart factory is an integration of the software and the hardware. It may be easy to change the parameter of the software, but would be a nightmare to have the hardware changed to match the new system.

Cooperating with LESSO group in building up their smart factory for pipe fittings production, SWITEK is experienced in supply robots with protocol for MES and other smart factory system. For more details about the injection robot for the smart factory sytem, please contact Adams from SWITEK, your personal consultant of injection robot selection.


Email: sales06@switek.biz

WhatsApp

WeChat